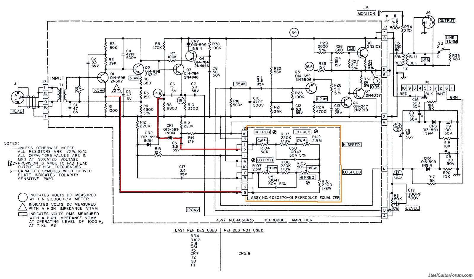
I understand the NAB curves for tape machines, and I understand the Record Amplifier card schematic which is more simple and straight forward. (not shown here).
Can anyone help me understand how this eq circuit works? (I'm only concerned with the "HI SPEED" side)
I can't follow what's gong on, partially because they had to draw the separate Eq board part of the schematic sort of inside out.
Is it an active hi/lo shelving eq? Is it a negative feedback loop eq?
Thanks.
